สร้างอาณาเขตให้บ้านด้วยรั้วและ ประตูหน้าบ้าน - บ้านและสวน

สร้างอาณาเขตให้บ้านด้วยรั้วและประตูหน้าบ้าน

จากคราวก่อนที่เราได้นำ“ล้อมกรอบให้ตัวบ้านด้วยแบบรั้วและ ประตูหน้าบ้าน “มาฝากชาวบ้านและสวนกัน วันนี้เราก็มีแบบรั้วและประตูหน้าบ้านสวยๆมาอัพเดตเพิ่มเติมเช่นเคย จะเป็นอย่างไรนั้นไปชมกันเลยครับ

สร้างอาณาเขตให้บ้านด้วยรั้วและ ประตูหน้าบ้าน

p12-fence-door-no7-0000

รั้วและประตู

รั้วและประตู

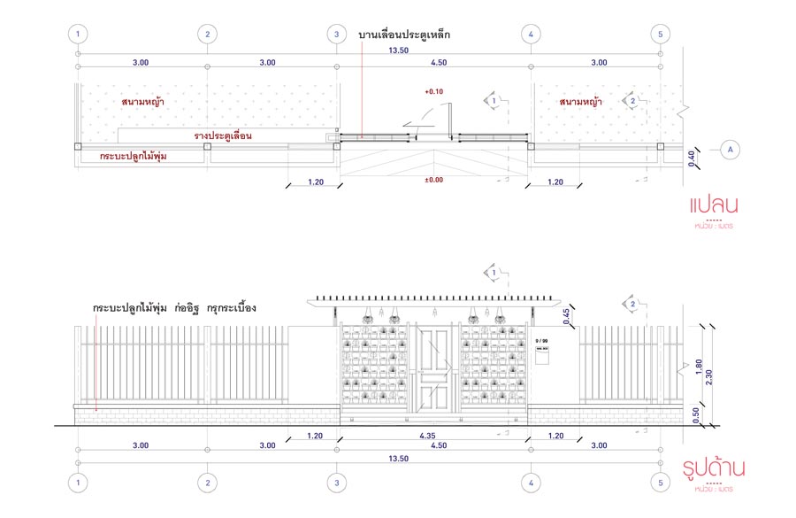
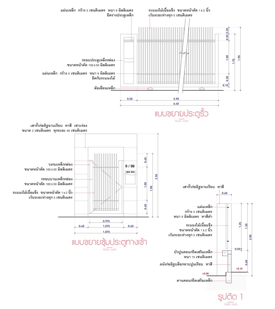
07  โดดเด่นย้อนอดีต

เติมเต็มบรรยากาศในการตกแต่งบ้านแบบไทยๆ ด้วยการทำรั้วอิฐมอญให้กลมกลืนไปกับตัวบ้าน ผสานกับแนวรั้วต้นไม้ที่ปลูกชิดกันเป็นพุ่มแน่นด้านหลังช่วยให้ดูสดชื่นสบายตา อาจทำรั้วเหล็กโปร่งหลังพุ่มไม้อีกชั้น ก็จะป้องกันคนปีนเข้ามาได้ดีขึ้น

p12-fence-door-no7-03

TIP : การก่อผนังอิฐสามารถทำได้ 2 แบบ คือ
• ผนังก่ออิฐครึ่งแผ่น คือ การก่ออิฐโดยให้แนวยาวของอิฐขนานไปตามแนวผนัง ถ้าใช้อิฐมอญ ผนังที่ก่อเสร็จจะหนา 6.5 เซนติเมตร และเมื่อฉาบปูนแล้วจะหนาประมาณ 10 เซนติเมตร
• ผนังก่ออิฐเต็มแผ่น คือ การก่ออิฐตามแนวขวางสลับกับแนวยาวของอิฐไปตามแนวผนัง ถ้าใช้อิฐมอญผนังที่ก่อเสร็จจะหนา 14 – 15 เซนติเมตร และเมื่อฉาบปูนแล้วจะหนาประมาณ 20 เซนติเมตร

p12-fence-door-no7-05

p12-fence-door-no7-04


p12-fence-door-no8-0000

รั้วและประตู

รั้วและประตู

รั้วและประตู

08  รั้วมีชีวิต

เอาใจคนรักต้นไม้ด้วยการเติมเต็มสีเขียวของต้นไม้ใบหญ้าไปในทุกส่วนของบ้าน ไม่เว้นแม้กระทั่งรั้วและประตูบ้าน โดยทำโครงสร้างประตูรั้วเหล็กให้เป็นชั้นวางกระถางต้นไม้ไปในตัว เสมือนเป็นส่วนหนึ่งของรั้วที่มีชีวิต และทำซุ้มไม้ระแนงสีขาวไว้สำหรับแขวนไม้กระถางห้อยลงมาเหนือประตูทางเข้า ให้บรรยากาศเหมือนโรงเรือนปลูกต้นไม้เล็กๆ น่ารัก

p12-fence-door-no8-04

p12-fence-door-no8-05

p12-fence-door-no8-06

 

p12-fence-door-no8-07

รั้วและประตู


p12-fence-door-no9-0000

รั้วและประตู

รั้วและประตู

รั้วและประตู

09  ระแนงไม้โปร่งเบา

ผสมผสานแนวรั้วให้กลมกลืนกับต้นไม้ที่อยู่ด้านหลัง ด้วยการติดตั้งระแนงไม้ขนาดหน้าตัด 1 x 2 นิ้วให้เห็นเป็นเส้นแนวตั้งบางๆ โดยหันด้านสันไม้ออกด้านนอก ยึดกับโครงสร้างเหล็กสีดำที่ซ่อนอยู่ด้านหลังเมื่อมองเผินๆ จะดูคล้ายระแนงไม้ลอยอยู่เหนือแนวรั้ว ให้ความรู้สึกโปร่งเบา เปิดมุมมองให้ใกล้ชิดกับธรรมชาติ

p12-fence-door-no9-04

p12-fence-door-no9-05

p12-fence-door-no9-06

รั้วและประตู


ขอบคุณภาพและบทความประกอบจากหนังสือ 12 แบบ รั้วและประตูหน้าบ้าน

เรื่องโดย : ดำรง ลี้ไวโรจน์

หากชาวบ้านและสวนท่านใดสนใจดู“แบบรั้วและประตูหน้าบ้าน”ที่เราได้ลงไว้ในบทความก่อนหน้า สามารถคลิ้กเข้าไปชมได้จากลิ้งค์ด้านล่างนี้ครับ

แบบรั้วและประตูหน้าบ้าน 01-03

แบบรั้วและประตูหน้าบ้าน 04-06

ติดตามข้อมูลดีๆจากบ้านและสวนได้ที่นี่