รั้วไม้ระแนง แบบรั้วบ้าน และประตูหน้าบ้าน ล้อมกรอบให้ตัวบ้าน - บ้านและสวน
รั้วไม้ระแนง

ล้อมกรอบให้ตัวบ้านด้วยแบบรั้วและประตูหน้าบ้าน

จากคราวก่อนที่เราได้นำ“แบบรั้วและประตูหน้าบ้าน”มาฝากชาวบ้านและสวนกัน วันนี้เราก็มี แบบรั้วบ้าน รั้วไม้ระแนง และประตูหน้าบ้าน สวยๆมาอัพเดตเพิ่มเติมเช่นเคย จะเป็นอย่างไรนั้นไปชมกันเลยครับ

p12-fence-door-no04-0000

แบบรั้วบ้าน รั้วไม้ระแนง

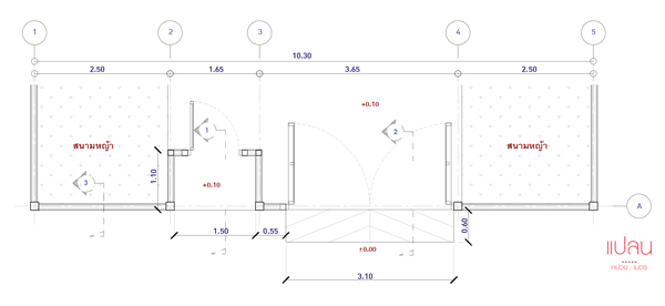
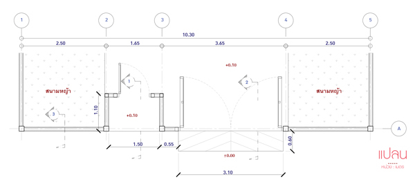
04  เรียบๆเป็นจังหวะ

ออกแบบรั้วแบบเรียบง่ายให้กลมกลืนไปกับตัวบ้าน แต่ก็ไม่ลืมสร้างลูกเล่นให้มีจังหวะน่ามองด้วยการทํารั้วแบบก่ึงทึบกึ่งโปร่งให้บ้านมีความเป็นส่วนตัว แต่ก็ไม่ทึบเกินไป ใช้วัสดุท่ีหาง่ายในท้องตลาดอย่าง ไม้เทียมติดเป็นแนวตั้งยึดไว้กับแนวโครงคร่าวเหล็ก เว้นช่องระหว่างแผ่นเป็นจังหวะซ้ําๆให้ลมสามารถพัดผ่านได้

p12-fence-door-no04-02

TIP

หากใครชอบความเป็นธรรมชาติของไม้จริงที่สีเนื้อไม้มีน้ําหนักเข้มอ่อนคละกัน แนะนําให้ใช้ไม้เนื้อแข็งอย่างไม้แดง หน้ากว้าง 3 – 4 น้ิว หนา 1.5 – 2 น้ิว ซึ่งเหมาะกับการใช้งานภายนอก แต่ราคาจะสูงกว่าและต้องทา 2 สีเคลือบไม้อย่างน้อยปีละคร้ัง

รั้วไม้ระแนง


p12-fence-door-no05-0000

รั้วไม้ระแนง

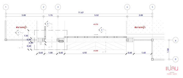
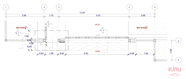
05  รั้วไม้ทึบและ รั้วไม้ระแนง

สร้างความเป็นส่วนตัวให้พื้นที่ภายในบ้านโดยทํารั้วสูง แต่ลดความรู้สึกอึดอัดทึบตันด้วยการแบ่งร้ัวเป็นสองช่วง โดยช่วงล่างเป็นรั้วทึบ กรุแผ่นไม้ตีแนวนอน ส่วนช่วงบนเป็นรั้วโปร่งกรุระแนงไม้เว้นร่องและใช้ไม้เนื้อแข็งที่ให้ผิวสัมผัสเป็นธรรมชาติเข้ากับตัวบ้านได้ดี อีกท้ังเว้นระยะประตูเล็กเข้าไปด้านในเพ่ือให้มีพื้นที่ว่างด้านหน้า ทําให้ปลอดภัยในการเดินเข้าออก

รั้วไม้ระแนง

p12-fence-door-no05-03 copy

p12-fence-door-no05-04

p12-fence-door-no05-05


p12-fence-door-no6-0000

รั้วไม้ระแนง

06  จังหวะของ รั้วไม้ระแนง

สร้างความเรียบ หรู ดูมีสไตล์ให้ร้ัวบ้านแบบง่ายๆ ด้วยการจับคู่วัสดุระหว่างระแนงไม้เทียมสีน้ําตาลเข้ม โครงเหล็กสีดํา และผนังร้ัว สีขาว แล้วเพิ่มรายละเอียดด้วยการเว้นจังหวะไม้ระแนงให้มีทั้งความทึบและโปร่ง อีกทั้งเซาะร่องผนังร้ัวทึบให้เป็นลวดลาย ช่วยป้องกันผิวปูน แตกร้าวได้ด้วย

รั้วไม้ระแนง

p12-fence-door-no6-03

p12-fence-door-no6-04

p12-fence-door-no6-05


ขอบคุณภาพและบทความประกอบจากหนังสือ 12 แบบ รั้วและประตูหน้าบ้าน

เรื่องโดย : ดำรง ลี้ไวโรจน์

หากชาวบ้านและสวนท่านใดสนใจดู“แบบรั้วและประตูหน้าบ้าน”ที่เราได้ลงไว้ในบทความก่อนหน้า สามารถคลิ้กเข้าไปชมได้จากลิ้งค์ด้านล่างนี้นะครับ


แบบรั้วและประตูหน้าบ้าน 01-03

ติดตามข้อมูลดีๆจากบ้านและสวนที่นี่